Project Purpose
  • LPG product was being left in the vapor space in every railcar at a product unloading terminal in Marysville, MI.
  • HighTec evaluated utilizing existing equipment within DCP’s inventory to increase overall product recovery by evacuating the remaining vapor out of the railcars after the liquid product retrieval.
  • Proposal was submitted to Commercial as a potential expansion project.
  • Presented a project with a ROI within one year of installation and increasing overall terminal throughput by up to 10% as part of normal operations.

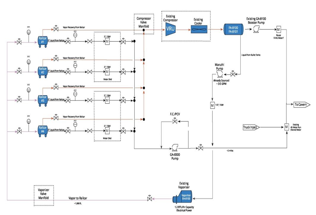
Process design for Marysville Terminal

Annotated aerial site plan

Loading arm upgrade for increased safety and efficiency